


1) 眾所周知,當輸出端超過額定負載或短路時,會對開關電源造成損壞,以至電力系統無法正常工作。針對于此我們在設計開關電源時要對產品進行限流保護設計。那么方法很多,我們可以將他設計到開關電源的輸入端或者設計到開關電源的輸出端。要達到最佳的設計方法就要以實際的情況而定,以下幾種方法都是開關電源常用的控制方法:
2) 初期參考直接驅動方式的開關電源可設計到輸入端,如下圖所示
圖一
圖中兩種電路的工作原理是:
(a)圖:在輸出端有過載或短路情況發生時,此時初級電流會很快的增加,Rsc上的就會產生電壓,此電壓超過B-E的導通電壓,那么Q2就會導通,就會把Q2集電極電位拉到地,如果接的是震蕩電路此時就會導至震蕩電路停止工作,從而達到保護的目的。
Rsc的取值是:Rsc=Vbe/Ip
3) (b)圖中的電路是一種常用的限流保護電路,在反擊或者正激電路中受到設計者的歡迎。他的工作過程和(a)圖的工作過程有些類似,但是他有些很好的優點,首先,比較器的電流限制激發臨限電壓可預制到一個精確的且可預制的準位上,這就相當于雙極性三極管有較大Vbe電壓范圍的臨限電壓值,其次是此臨限電壓足夠的小,基本上是100MV和200MV,因此電流限制電組就可較小,這樣就可以提高效率。
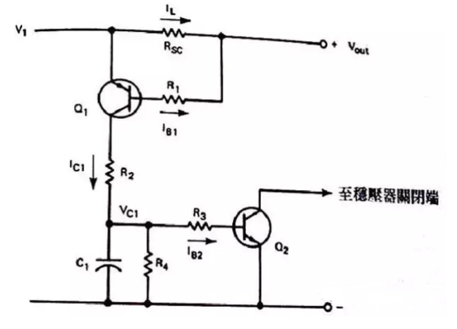
4) 應用在基極驅動器的電流限制電路
上圖所畫的電流限制電路圖適合于各種電路的開關電源供應器。此種電路的輸出部分是與控制電路共地的。
工作原理是:在正常的工作情況下,流入到Rsc上的Il不會產生很大的壓降,那么就不會使Q1導通,若負載電流足夠大就會在Rsc上產生電壓,使Q1導通。若Q1在OFF裝態時,而且Ic1=0時C1會全部放電掉,因此Q2也會處于OFF狀態,如果Il電流逐漸增加時,則Il*Rsc=VbeQ1+Ib1R1,此時會集電極會有電流Ic1流過,并有下面的時間常數將C1充電T=R2*C1,那么C1上的電壓是:Vc1=Ib2R3+VbeQ2,為了使為了使電容器電壓的負載效應減到最低值,我們可選用具有較高的HFE的達林凳管子來代替Q2,這樣可以把基極電流限制在微安培,我門在選擇電阻R4時要遠遠大于R3。這樣當電流過載時,C1電容會快速放電。
R2的取值如下:
IBL=(V1-VBEQ1)/R1
而且Ic1=HfeQ1IBLMAX
所以,R2>=(V1-VCEMAX)R1/(V1-VBEQ1)
在適當的電路設計上,VCE能夠快速的到達其電壓值,并將Q2三極管偏壓到導通狀態,這樣一來就可以關閉穩壓器的驅動信號。當過載除去后,電路會自動恢復到工作狀態。如果使用具有固定電流限制比較器的ICPWM控制電路,則圖一B的電路,我們將電流限制電阻器RSC放到輸出的正端上,就能獲的良好的電流限制效果。
以上這兩種方法在檢測電流情況都工作良好。但是功率電阻器RSC的存在可能會變成不受歡迎的,尤其是在高電流輸出下會造成功率的消耗,影響到整機的效率。真對于次會有另一種方法來克服這種問題。那就是用變壓器來檢測過電流。并且電路中無消耗功率的元器件,如圖所示
工作原理是:T1用來檢測負載電流IL,因此電阻R1會有成比例的電壓產生。D3為整流二極管,R3C1整流后的濾波電路,若電流過載發生時,電容器C1上的電壓會增加到穩壓二極管Z1的導通電壓,此時三極管Q1會導通,因此Q1集電極上的信號可以關閉穩壓器的驅動信號。
要注意的是:T1的設計,材料的選擇要用陶鐵磁和MPP的環形鐵芯,但是鐵芯不能工作在飽和狀態,圈數的設計:初級圈數一般選一圈,次級圈數的選擇右次級的電壓所決定,NP/NS=IS/IP由于IR=VS/R1。
因此在最大指定負載電流IC情況下,次級圈數必須能在電容器C1上產生所期望的電壓值,所以NS=NP*IRR1/(Vs+Vd3)。
至此我門就可以繞制一個精確的變壓器,而在實際的電路測試上必須在圈數上稍做調整,以便能做到最佳的性能。
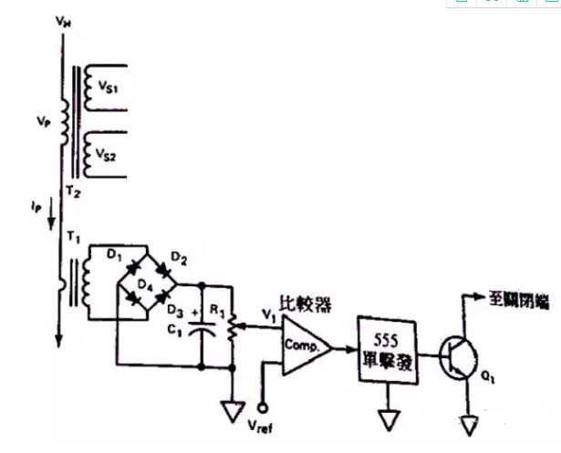
還有一種電流限制電路:如圖所示
不管是放在電源的輸入端或是輸出端部分都能做到叫好的效果,同樣的此電路也能適合于多路輸出的電源供應器,但是有一點,對于多組輸出要使的各個電流限制能達到其作用,要用一番功夫。
上圖的工作原理是:
T1用來檢測T2的初級電流,T1后經二極管整流后電容濾波,可變電阻R1用來設定比較器輸入端的臨限電壓,在正長工作情況下,比較器的Vref參考輸入端電壓會高于電衛器R1上的電壓,此時比較器的輸出會在高電平,此時的555IC(單激多諧振蕩器)會有低電平的輸出,使Q1保持在關閉狀態。
如果過載發生時,電壓V1會高于VREF,使的比較器在底電位,IC555輸入端由高電位至底電位的轉換過程,會在IC555輸出端產生單激輸出,而將Q1ON,C極連到關閉的輸入端或是PWM電路的柔和啟動電容器上,所以會牽引到地電平。而終止了輸出轉換脈波,并將穩壓器關閉,如果過栽情況持續著,電源會處于打嗝狀態中,就是它會以IC555單激RC時間常數的周期在ON與OFF狀態之間,不停的轉換,直到過載去除后,電路才會恢復恢復到正常狀態中,變壓器設計同上一節。
上一篇:開關電源的元器件分類與介紹
下一篇:低壓高效開關電源電路設計


