


正激與反激還是分不清?今天為大家詳細的科普一下正激式開關與反激式開關電源到底有什么區別。
下面是反激式和正激式的原理圖:
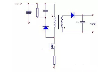
反激式:
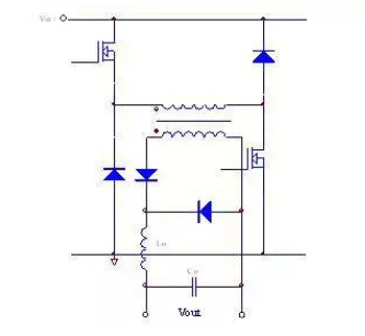
單端正激式:
雙管正激式:
由上三張圖可知,反激的變壓器可以看作一個帶變壓功能的電感,是一個buck-boost電路。正激的變壓其是只有變壓功能,整體可以看成一個帶變壓器的buck電路。二次側接第一個整流二極管的負端接電解電容的是反擊,接電感的是正激。
總地來說,正激反激工作原理不同,正激是初級工作次級也工作,次級不工作有續流電感續流,一般是CCM模式。功率因數一般不高,而且輸入輸出和變比占空比成比例。反激是初級工作,次級不工作,兩邊獨立開來,一般DCM模式下,理論上是單位功率因數,但是變壓器的電感會比較小,而且需要加氣隙,所以一般適合中小功率情況.一般的電源書都會有具體的介紹和設計公式。
正激變壓器是理想的,不儲能,但是由于勵磁電感(Lp)是有限值,勵磁電流使得磁芯B會大,為避免磁通飽和,變壓需要輔助繞組進行磁通復位;反激變壓器工作形式可以看做耦合電感;電感先儲能,再放能。由于反激變壓器的輸入、輸出電壓極性相反,固當開關管斷開之后,次級可以提供磁芯一個復位電壓,因而反激變壓器不需額外增加磁通復位繞組。
下面將從各個角度詳細介紹這兩者之間差別。
主要區別
正激反激主要區別在高頻變壓器的工作方式不同但他們在同一象限上。正激是當變壓器原邊開關管導通時同時能量被傳遞到負載上,當開關管截止是變壓器的能量要通過磁復位電路去磁。反激是和正激相反,當原邊開關管導通時給變壓器存儲能量。但能量不會加在負載上,當開關管截止時,變壓器的能量釋放到負載側。正激開關電源,后面多的那個二級管是續流二級管,一般輸出部分還會多加一個儲能電感,正激和反激最重要的區別是變壓器初次級的相位是反相的。
最大區別
正激與反激的工作最大區別是,當開關管關斷時,正激的輸出主要靠儲能電感和續流二級管來維持輸出,而反激的輸出主要靠變壓器次級釋放能量來維持輸出。正激電路不宜做多路輸出,正激電路要用脈寬調整做穩壓必須在次極整流以后串電感,不然輸出電壓主要由輸入決定,與脈寬影響不大,脈寬只影響輸出紋波。如用正激電路做多路輸出原理上存在的問題:如每路輸出不用電感,那么對輸入變化沒有穩壓作用,且沒有開關電源應有的安全性。如果每路加電感:那么輸出電壓在理論上與負載大小有關,不參與反饋的回路就不正。
反激電路在原理上就適合多路輸出穩壓。反激電路首先儲能,后把能量按各路的電壓比率供應給每一路,先可以認為每路的輸出比例是不變的(實際有誤差看下面),按電流誰需要多給誰多的原則分配。
關于反饋
被反饋的這一路總是很準的因為就是按找他來反饋的,但反饋的一路一定要有一點負載。不然會加大輸出各路間的不平衡。可以用多路加權來進行反饋,就可以使誤差的矢量和為零,通俗點讓誤差在各路間均衡,哪路的權重大,哪路的精度就高。變壓器遵守各個瞬態電壓比等于線圈比,這是理解中用得最多的一個條件。
關于開關電源
正激式是開關管導通時變壓器次級電路工作,反激式是開關管截止時變壓器次級電路工作(開關截止,主級能量傳遞給次級,次級工作開關閉合,主級電感線圈存儲能量)。 正激式開關電源輸出必需有續流二極管而反激式沒有(它們的變壓器繞法也不一樣。反激式變壓器初次極工作時間相反而正激式初次極工作時間相同)正激跟反激相比最大的問題的用的器件更多,雖然好像沒多幾個,但都是必不可少,而且成本都是很高的。電路比反激式變壓器開關電源多用一個大儲能濾波電感,以及一個續流二極管。 正激式變壓器開關電源輸出電壓受占空比的調制幅度,相對于反激式變壓器開關電源來說要低很多,因此,正激式變壓器開關電源要求調控占空比的誤差信號幅度比較高,誤差信號放大器的增益和動態范圍也比較大。
正激式變壓器開關電源為了減少變壓器的勵磁電流,提高工作效率,變壓器的伏秒容量一般都取得比較大,并且為了防止變壓器初級線圈產生的反電動勢把開關管擊穿,正激式變壓器開關電源的變壓器要比反激式變壓器開關電源的變壓器多一個反電動勢吸收繞組,因此,正激式變壓器開關電源的變壓器的體積要比反激式變壓器開關電源的變壓器的體積大。
正激式變壓器開關電源還有一個更大的缺點是在控制開關關斷時,變壓器初級線圈產生的反電動勢電壓要比反激式變壓器開關電源產生的反電動勢電壓高。因為一般正激式變壓器開關電源工作時,控制開關的占空比都取在0.5左右,而反激式變壓器開關電源控制開關的占空比都取得比較小。
應用區別
正激式變壓器不蓄積能量,只擔負偶合傳輸,反激式變壓器需把開通過程中的能量蓄積在本身,關斷過程中再釋放:正激式繞組同相位,反激式繞組反相;正激式變壓器不用調節電感值,反激式需調節。正激式工作存在剩磁為防飽和需消磁電路,本身不蓄能需要蓄能線圈和續流二極管,反激式不用。
反激主要用在150-200瓦以下的情況,正激則用在150w到幾百瓦之間。之所以反激更廣范就是因為我們日常中100w以下的電源比較常見,應用比較常見,所以也就比較廣泛啦。原理就是一個通過儲能再通過變比進行變壓的,一個是直接通過變比進行變壓的。正激初級繞組同名端都是正極所以叫正激,反激一個在正,一個在負所以叫反激。
反激式可做小功率,成本低,調試相對簡單些,所以在小功率開關電源中常用。它們的區別: 主變壓器方面, 正激的需增加消磁繞組,當然也有的用增加兩個二極管在主繞組進行消磁,無論如何正激電源必須增加消磁回路。反激不用增加輸出儲能電感,因為能量能儲存在次級線圈中 ,正激須增加輸出儲能電感,且整流部分需增加續流二極管。
上一篇:開關電源的過流保護電路


